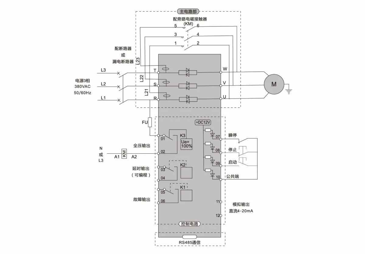
Advanced Soft Starting Technology
The AC Soft Starter 22kW is designed to provide smooth and controlled acceleration and deceleration of three-phase induction motors, reducing mechanical stress and electrical surges during start-up.
This soft starter incorporates advanced microprocessor control technology to deliver precise motor management, with adjustable parameters to suit various application requirements. Its compact design allows for easy installation in control panels with limited space.









